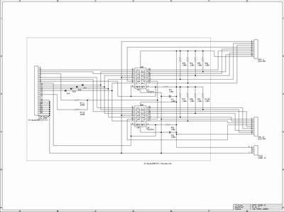
アンケートページでの製品化要望一位のサターン版DPPケーブルを製品化してみました。3ステートバッファーを使用した切替回路を内蔵しておりデバイスへの電源供給を安定化させマルチターミナルにも対応しております。
Psxpadさんからリンクされておりましたバッファー使用回路を参考に改造を加えさせて頂きました。設計者のteccyuu氏にこの場を借りて御礼申し上げます。
第十回調査:サターンDPPケーブルレスポンス調査をご参照下さい。
| 型番 | 品名 | 動作状況 | 備考 | 
| HSS-0101 | 純正デジタルパッド | ○ | |
| HSS-0137 | マルチコントローラー | △ | アナログモードの反応悪い | 
| HSS-0104 | パーチャスティック | ○ | |
| HSS-0136 | パーチャスティック | ○ | |
| HSS-0115 | ハンドルコントローラー | × | |
| HSS-0141 | ハンドルコントローラー | × | |
| ASC-0602C | Fighter Stick X | ○ | |
| HSS-11 | HORIPAD SS | × | |
| HSS-08 | FIGHTING COMMANDER SS | × | |
| IMS-02 | SG Tornado PAD | ○ | Imagineer製 | 
| HSS-12 | Real Arcade VF | ○ | |
| HSS-0151 | ツインスティック | ○ | |
| HC-735 | SBOM JOYCARD | ○ | |
| HSS-130 | バーチャスティックプロ | ○ | |
| HSS-0114 | ミッションスティック | × | |
| SS-231 | SS JOYPAD DX | ○ | ビック東海製 各モードも使用可 | 
| HSS-07 | Fighting Stick SS | × | |
| SSP-0010 | サンサターンパッド | ○ | プログラム機能使用可能 | 
| ASC-0601T | ASCII PAD X | ○ | |
| HSS-0116 | コードレスパッドセット | ○ | HSS-0125とHSS-0126のセット品 | 
| HSS-14 | ZEROTECH SS | × | ステアリングコントローラ | 
| ascii GripX SS | ○ | グリップ型片手コントローラ | |
| - | |||
| HSS-0103 | マルチターミナル6 | ○ | |
| HC-736 | SBOM MULTITAP | ○ | 
※ マルチタップの検証はHSS-0101を6個接続してテストしました。
| 型番 | 品名 | 動作状況 | 備考 | 
| HSS-0101 | 純正デジタルパッド | ○ | |
| HSS-0137 | マルチコントローラー | ○ | |
| HSS-0104 | パーチャスティック | ○ | |
| HSS-0136 | パーチャスティック | ○ | |
| HSS-0115 | ハンドルコントローラー | × | |
| HSS-0141 | ハンドルコントローラー | × | |
| ASC-0602C | Fighter Stick X | ○ | |
| HSS-11 | HORIPAD SS | × | |
| HSS-08 | FIGHTING COMMANDER SS | × | |
| IMS-02 | SG Tornado PAD | ○ | Imagineer製 | 
| HSS-12 | Real Arcade VF | ○ | |
| HSS-0151 | ツインスティック | ○ | |
| HC-735 | SBOM JOYCARD | ○ | |
| HSS-130 | バーチャスティックプロ | ○ | |
| HSS-0114 | ミッションスティック | × | |
| SS-231 | SS JOYPAD DX | ○ | ビック東海製 各モードも使用可 | 
| HSS-07 | Fighting Stick SS | × | |
| SSP-0010 | サンサターンパッド | ○ | プログラム機能使用可能 | 
| ASC-0601T | ASCII PAD X | ○ | |
| HSS-0116 | コードレスパッドセット | ○ | HSS-0125とHSS-0126のセット品 | 
| HSS-14 | ZEROTECH SS | × | ステアリングコントローラ | 
| - | |||
| HSS-0103 | マルチターミナル6 | ○ | ボタン設定を初期値に設定必須 | 
| HC-736 | SBOM MULTITAP | ○ | ボタン設定を初期値に設定必須 | 
※ マルチタップの検証はHSS-0101を6個接続してテストしました。
| 型番 | 品名 | 動作状況 | 備考 | 
| HSS-0101 | 純正デジタルパッド | ○ | Saturnを選択 | 
| HSS-0137 | マルチコントローラー | ○ | Saturn Analogue 3を選択 | 
| HSS-0104 | パーチャスティック | ○ | Saturnを選択 | 
| HSS-0136 | パーチャスティック | ○ | Saturnを選択 | 
| HSS-0115 | ハンドルコントローラー | ○ | Saturn Analogue Dpa..を選択 | 
| HSS-0141 | ハンドルコントローラー | ○ | Saturn Analogue Dpa..を選択 | 
| ASC-0602C | Fighter Stick X | ○ | Saturnを選択 | 
| HSS-11 | HORIPAD SS | × | |
| HSS-08 | FIGHTING COMMANDER SS | × | |
| IMS-02 | SG Tornado PAD | ○ | Saturnを選択。Imagineer製 | 
| HSS-12 | Real Arcade VF | ○ | Saturnを選択 | 
| HSS-0151 | ツインスティック | ○ | Saturnを選択 | 
| HC-735 | SBOM JOYCARD | ○ | Saturnを選択 | 
| HSS-130 | バーチャスティックプロ | ○ | Saturnを選択 | 
| HSS-0114 | ミッションスティック | × | 頻繁に軸ずれを起す。Cボタン認識せず。 | 
| SS-231 | SS JOYPAD DX | ○ | Saturnを選択。ビック東海製 各モードも使用可 | 
| HSS-07 | Fighting Stick SS | × | |
| SSP-0010 | サンサターンパッド | ○ | Saturnを選択。プログラム機能使用可能 | 
| ASC-0601T | ASCII PAD X | ○ | |
| HSS-0116 | コードレスパッドセット | ○ | HSS-0125とHSS-0126のセット品 | 
| HSS-14 | ZEROTECH SS | ○ | Saturn Analogue 3を選択 | 
| - | |||
| HSS-0103 | マルチターミナル6 | × | |
| HC-736 | SBOM MULTITAP | × | 
※ DPPケーブル注意事項のページも参照して お使いのパソコンにパラレル端子が有るか必ずご確認下さい。